DATEL C23 系列 DC-DC 轉換器采用行業標準 2 英寸 x 3 英寸封裝,提供單路、雙路和三路輸出,輸出功率為 40W,效率高達 85%。其特點包括固定開關頻率、完全隔離至 1500 VDC、過流、過壓和溫度保護,以及寬輸入電壓范圍(9 至 36V 和 18 至 75V),并支持輸入欠壓鎖定保護(UVLO)和遠程開/關邏輯控制。該系列產品具有擴展工作溫度范圍(-40°C 至 +100°C),連續短路保護,符合 CE 2004/108/EC、UL1950 和 EN60950 安全標準,適用于分布式電源架構、電信和服務器、移動設備以及軍事和工業應用。
MAX3078E是一款高性能RS-485/RS-422收發器,具備±15kV ESD保護、失效保護和熱插拔功能,工作電壓為+3.3V。它支持全雙工和半雙工通信模式,適用于工業控制、電信、安全系統等高可靠性場景。該收發器具有低功耗設計,支持多達256個節點連接,并提供靈活的相位控制和關斷模式,確保穩定性和高效能。
RY系列DC/DC轉換器是RECOM公司推出的一款低成本、隔離型通用轉換器,內置線性穩壓器,提供穩定的輸出。該系列支持多種輸入和輸出電壓,具有單路和雙路輸出選項,適用于便攜式設備、工業控制、儀器儀表等多種應用場景,具有高性價比和緊湊的封裝設計。
RECOM電源模塊以其高功率密度、多種保護功能、可編程輸出、高效能與低功耗以及寬輸入電壓范圍等特性,在工業自動化、新能源、醫療電子、智能家居和交通運輸等多個領域廣泛應用,憑借其高性能和可靠性,成為眾多行業的理想選擇。
MAX6133是一款高精度、低功耗、低降壓的電壓基準源,具有最大3ppm/°C的溫度系數和最大200mV的降壓電壓。它采用激光修調的高穩定性薄膜電阻,初始精度最高為0.04%,靜態電流僅為40μA,噪聲低(0.1Hz至10Hz頻段內16μVP-P),輸出源電流能力達15mA,供電電壓范圍為2.7V至12.6V。其提供8引腳μMAX和SO封裝,尺寸小,適合精密穩壓器、模數/數模轉換器、電源、高精度工業控制和手持儀器等應用。
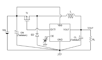
TOREX XC6365/XC6366 系列是多功能降壓 DC/DC 控制器,輸出電流 1A,借外部組件工作。輸出電壓 1.5V - 6.0V 可編程(±2.5%精度),300kHz 開關頻率。XC6366 輕載時 PWM/PFM 切換,全負載高效。軟啟動時間 A、B 系列內置 10ms,C、D 系列可外部調。待機電流<0.5μA,有 UVLO 功能。應用于多種設備,特點有寬輸入輸出電壓范圍、特定頻率、大電流、高效率、低待機電流、可選軟啟動、兩種電壓設置、PWM/PFM 控制、100%占空比,特定封裝,符合 RoHS 且無鉛。
MAX6496ATA+T是一款高度集成且小型化的電源管理解決方案,采用3mm×3mm TDFN封裝,具有寬電源電壓范圍(+5.5V至+72V)、過壓保護、快速關斷、內部電荷泵、電池反接保護、POK指示器、可調過壓與欠壓門限等特性。其集成保護功能包括過壓保護開關控制器、閉鎖功能和熱關斷保護,確保系統穩定性和可靠性。此外,產品支持寬工作溫度范圍(-40°C至+125°C),部分型號通過AEC-Q100車規認證,適用于汽車電子、工業設備和電池供電設備等場景,滿足復雜電壓環境下的高可靠性要求。
TDK的FS1603 μPOL? 是3A額定微點負載DC-DC轉換器,有集成電感等功能。特點為小封裝(3.3mm x 3.3mm x 1.35mm)、3A負載、即插即用、I2C可編程、寬溫寬壓、多保護等,提供八個I2C地址,無鉛無鹵。適用于多領域及分布式電源架構,3.3mm x 3.3mm封裝,卷帶卷軸交付 。
DATEL公司的SB系列十六分之一磚型DC-DC轉換器,功率轉換能力高達100W,支持9至18V、18至36V或36至75V DC輸入電壓,效率最高93%,能承受100V輸入瞬變,可在-40°C至+123°C寬環境溫度范圍工作,應用于分布式電源架構、儀器設備、數據和無線通信、服務器以及“總線”轉換器應用等領域 。
MVT040A0X3-SRPHZ是OmniOn Power公司生產的MegaDlynx?系列非隔離直流-直流電源模塊,可提供高達40A輸出電流,輸入電壓范圍4.5V至14.4V,輸出電壓0.6V至2.0V可調節;具有尺寸小巧、保護功能豐富(含輸出過流、過溫及遠程開/關)、可通過Tunable Loop?優化動態響應等特性;適用于工業設備、分布式電源架構等多種場景;工作溫度范圍-40°C至105°C,存儲溫度-55°C至125°C,效率78%至91%,開關頻率380kHz至420kHz,能為高性能計算和通信系統提供穩定高效電源。
MAX3540ULM是專為模擬和數字電視調諧設計的單轉換電視調諧器,在+3.3V電源下功耗760mW,能將NTSC或ATSC信號(54MHz - 860MHz)轉換為44MHz中頻信號;適用于電視機、模擬/數字地面接收器等多種設備;其電氣特性包括工作頻率范圍、輸出頻率、增益、噪聲系數等多項參數,工作溫度范圍0°C至+85°C,結溫+150°C,存儲溫度范圍 -65°C至+165°C。
NSR020A0X43Z是OmniOn Power公司Naos Raptor 20A系列的非隔離直流 - 直流(DC - DC)電源模塊,可提供高達20A輸出電流,輸入電壓范圍4.5Vdc至14Vdc,輸出電壓范圍0.59Vdc至6Vdc且可通過外部電阻編程設定,尺寸為36.8mm x 15.9mm x 9.2mm,具備遠程開關機、可調輸出電壓及過流過溫保護功能,借助Tunable Loop?功能可優化動態響應;應用于分布式電源架構等多種領域;其還有一系列技術規格,包括工作環境溫度 - 40°C至85°C、輸出電壓調節精度在±0.2%至±0.8%等。
VCD40-D24-T512是CUI公司VCD40系列DC-DC轉換器產品,輸入電壓范圍18~36Vdc(典型24Vdc),有5Vdc、+12Vdc和-12Vdc三輸出;輸入電流無負載100mA、滿負載1833mA、最大8000mA,輸出電流最大6A和±0.4A、最小0.6和±0.04A;紋波和噪聲最大50mVp-p,典型效率90%,尺寸2"x2"(50.8mm x 50.8mm)、高0.4英寸(10.2mm);采用六面屏蔽金屬外殼,隔離電壓1500Vdc,有短路、過壓、過溫保護,工作溫度-25~71°C,符合EN 62368-1標準且RoHS合規;支持遠程開/關控制,輸出電壓可通過外部電阻微調±10%;因其高效率、小尺寸、保護功能全面等特點,適用于工業、醫療、通信和軍事等對電源穩定性和可靠性要求嚴格的領域。
XC9220/XC9221系列是Torex公司推出的16V輸入電壓降壓型DC/DC控制器IC,具有高效率、高輸出電流(高達3A)和靈活的配置特性。該系列支持低ESR陶瓷電容器,提供0.9V(±1.5%)參考電壓,可通過外部電阻自由設置輸出電壓,并提供300kHz、500kHz和1.0MHz的內部開關頻率。XC9220采用PWM控制,而XC9221則支持PWM/PFM自動切換,以優化輕負載效率。其內置UVLO功能、軟啟動控制和多種保護機制(如短路保護)確保了系統的穩定性和可靠性。該系列產品廣泛應用于機頂盒、數字電視、智能手機、筆記本電腦等設備,工作溫度范圍為-40℃至+85℃,符合RoHS標準。
DATEL SB系列1/16磚型開放式框架DC-DC轉換器,符合行業標準規格,支持廣泛輸入電壓(9-36 VDC或18-75 VDC)和高效能設計,適用于-40°C至+123°C的寬溫工作環境。具備2250V直流隔離(最高2828V),提供全面的保護功能(OTP、OCP、OVP、UVLO等),支持遠程開關和檢測,輸出電壓可調±10%。符合ROHS、UL94 V-0、REACH等環保和安全標準,適用于分布式電源架構、儀器儀表、數據通信和服務器等應用。
Leadway電源模塊作為TI電源模塊的國產替代方案,憑借高轉換效率、精確電壓調節、成本優勢和供應穩定性,能夠實現與TI模塊在電氣參數、物理尺寸和引腳定義上的無縫替換,廣泛應用于工業自動化和消費電子領域,幫助企業降低成本、提高供應鏈自主性和產品競爭力。
Murata村田的DCDC電源模塊因高性能和可靠性在全球市場中占據重要地位,但由于部分產品停產,國內廠商Leadway電源模塊憑借其高性能、價格優勢和不斷創新的技術,成為Murata產品的有力替代品,推動了國產電源模塊市場的崛起。
XC9235/XC9236/XC9237系列是Torex公司生產的同步降壓型DC/DC轉換器,內置600mA驅動晶體管,具有高效率、多種輸出電壓設置、可選擇的振蕩器頻率、PWM/PFM控制模式等特點,適用于智能手機、藍牙設備、移動設備等多種便攜式電子產品。
BRNSS、BRNS12 和 BRNS20 是 Cosel 生產的高性能 DC-DC 轉換器,分別提供 6A、12A 和 20A 的電流輸出。這些轉換器具有寬輸入電壓范圍(3.0V 至 14.4V 及 0.6V 至 5.5V),效率高達 87%,輸出電壓可調,紋波電壓和噪聲低(25mVp-p 和 50mVp-p),啟動時間僅 4.5ms。此外,它們具備過流保護、遠程感應和開關等保護功能,適應廣泛的工作和存儲溫度(-40°C 至 85°C 和 -40°C 至 100°C),并能耐受振動和沖擊
CUI公司的VCD40 - D24 - T315是一款三路輸出DC - DC轉換器,輸入電壓18~36V,功率40W,輸出電壓3.3V、15V、-15V,輸出電流6A、0.3A、-0.3A,隔離電壓1500V,工作溫度 - 40°C~85°C,效率90%。采用通孔安裝和9 - DIP封裝,尺寸2.00"長x2.00"寬x0.40"高,適合工業控制、通信設備等高功率、高效率、多電壓輸出的應用,尤其在空間受限場景中表現出色。
在線留言