OH320-LA-61003CV壓控恒溫晶體振蕩器(VCOCXO)Connor-Winfield
發布時間:2024-07-16 09:22:21 瀏覽:2084

OH320-LA-61003CV是一款高性能的壓控恒溫晶體振蕩器(VCOCXO),由Connor Winfield公司生產。這款振蕩器專為需要極高頻率穩定性和精確控制的應用而設計。
主要特性:
輸出頻率: 提供10.0 MHz和12.8 MHz兩種頻率選項。
電源電壓: 3.3 Vdc,適用于低功耗應用。
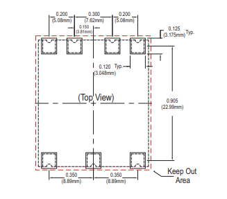
封裝類型: SM-FR4,尺寸為25.4x22毫米,適合表面貼裝技術。
頻率穩定性: ±10 ppb,確保在各種條件下都能保持極高的頻率精度。
溫度范圍: -40至85℃,適合在廣泛的溫度環境下工作。
輸出邏輯系列: LVCMOS,與數字系統兼容。
接地金屬蓋: 提供額外的電磁屏蔽和保護。
RoHS合規/無鉛: 符合環保標準。
操作規格:
中心頻率(Fo): 10.0 MHz或12.8 MHz。
頻率校準@ 25℃: ±0.1 ppm,確保出廠時的精確校準。
頻率穩定性vs溫度: ±10 ppb,即使在溫度變化下也能保持穩定。
相位抖動: 1.0 ps rms(在10 Hz至Fo/2帶寬內),表明低相位噪聲性能。
艾倫偏差(Tau=1s): 2.7E-12至5.0E-12,顯示了良好的短期頻率穩定性。
啟動時間: 500 ms,快速啟動以減少等待時間。
電壓控制輸入特性(僅VCOCXO):
控制電壓范圍: 0.0至3.3 V。
拉動范圍: ±0.4至±0.6 ppm,允許微調頻率。
輸入阻抗: 100K歐姆,適合與各種控制電路接口。
這款VCOCXO適用于通信、測量、導航和其他需要高精度頻率控制的應用。其緊湊的設計和優異的性能使其成為工業和科學應用中的理想選擇。
相關推薦:
供應Connor-Winfield溫度補償晶體振蕩器TCXO
供應Connor-Winfield壓控溫度補償晶體振蕩器VCTCXO
供應Connor-Winfield壓控恒溫晶體振蕩器VCOCXO
更多Connor-Winfield晶振產品可咨詢立維創展。
推薦資訊
VAWQ3系列隔離式DC-DC轉換器是專為工業應用設計的高性能電源轉換設備,具有高達3W的隔離輸出、4:1寬輸入電壓范圍(9V至72V)、標準24針DIP封裝、多種輸出選項(包括3.3V、5V、12V和15V)、3000V高隔離電壓、短路保護、寬工作溫度范圍(-25°C至71°C)以及高達77%的效率。這些特點使其成為需要高電氣安全和穩定電源的工業應用的理想選擇。
Solitron的2N4391/2N4392/2N4393是N溝道JFET晶體管,適用于開關、斬波器和換向器設計。TO-18封裝密封,適用于軍事應用,提供TX、TXV和S級篩選選項。特性包括低噪音、快速切換、低截止電壓和反向柵源電壓。
在線留言